当前位置:
首页
>
专题专栏
>
热点专题
>
政务公开工作要点
>
(六稳六保)加大重点领域主动公开
>
社会公益事业建设
>
环境保护信息
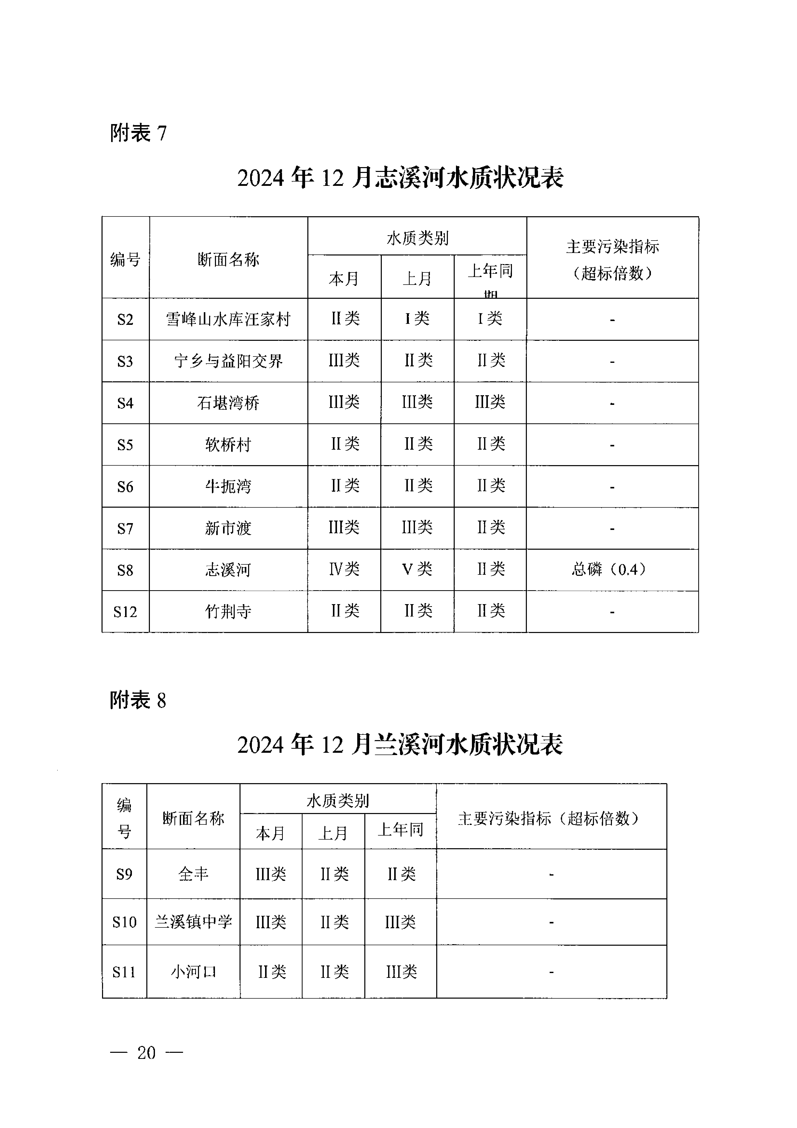
2024年12月全市环境质量状况的通报
作者:
发布时间:2025-05-06 17:01
信息来源:益阳市生态环境局安化分局
浏览量:
责任编辑:益阳市生态环境局安化分局
扫一扫在手机打开当前页
打印
收藏
纠错
关闭