位置导航图标当前位置: 首页 > 信息公开平台 > 生态环境局安化分局
索 引 号: 006494195/2025-2062054 责任部门:市生态环境局安化分局 公开范围:全部公开
信息类别:综合政务 发文日期:2025-05-06 公开方式:政府网站
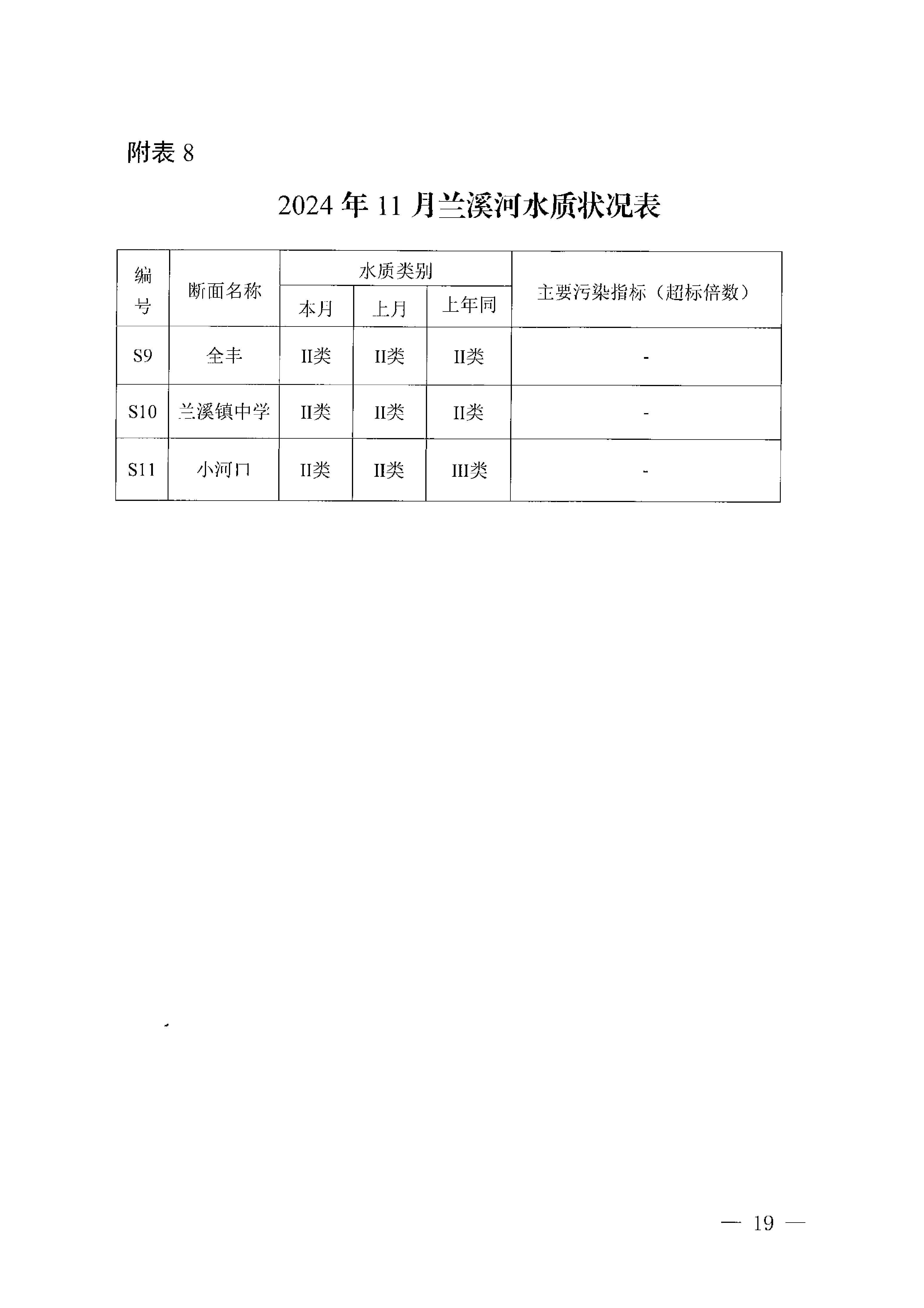
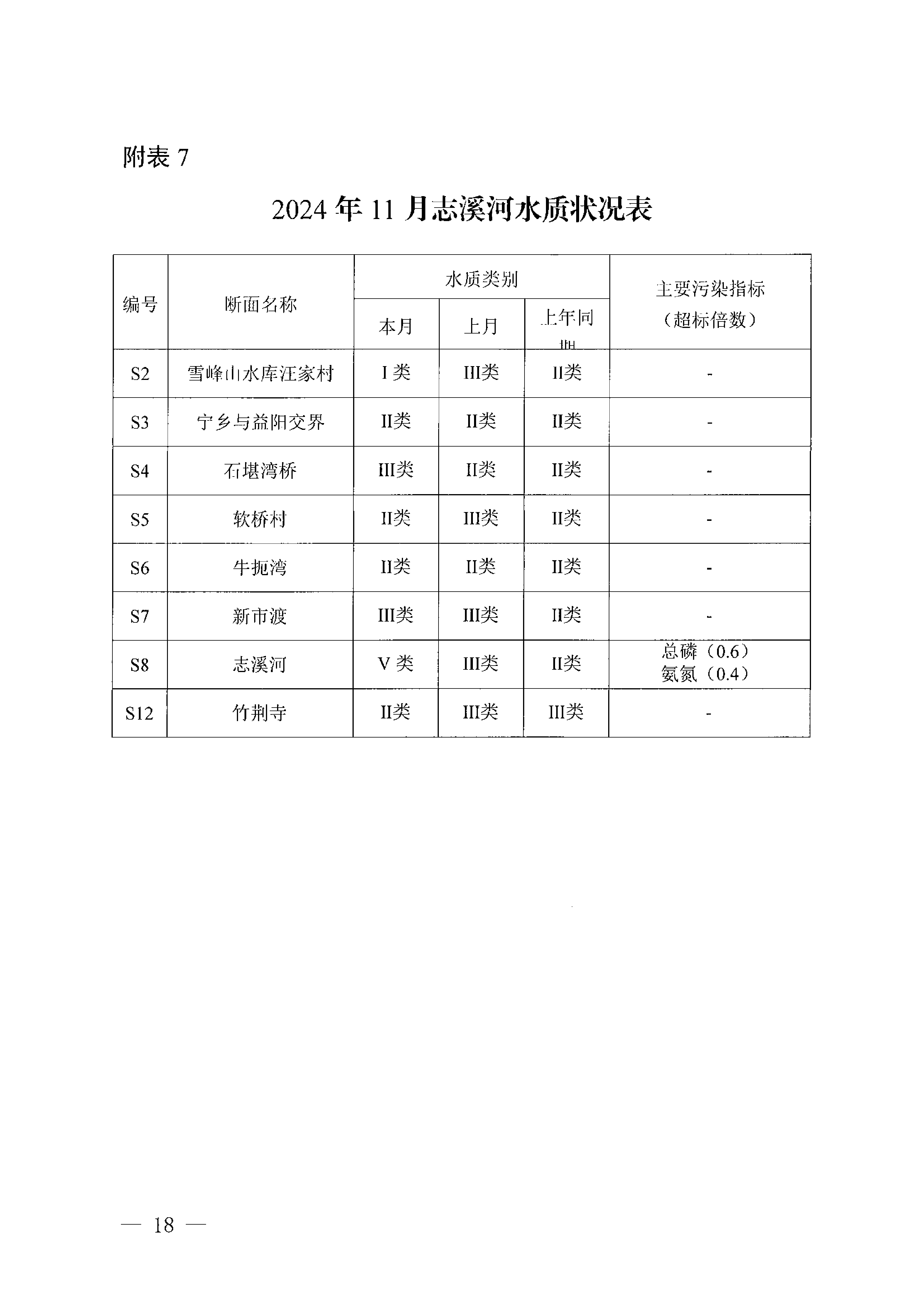
2024年11月全市环境质量状况的通报
作者:     发布时间:2025-05-06     信息来源: 益阳市生态环境局安化分局     浏览数:










































打印[打印] 收藏[收藏] 纠错[纠错] 关闭[关闭]