位置导航图标当前位置: 首页 > 信息公开平台 > 安化经开区
索 引 号: 691806387/2022-1728002 责任部门:安化县经开区 公开范围:全部公开
信息类别:综合政务 发文日期:2022-10-12 公开方式:政府网站
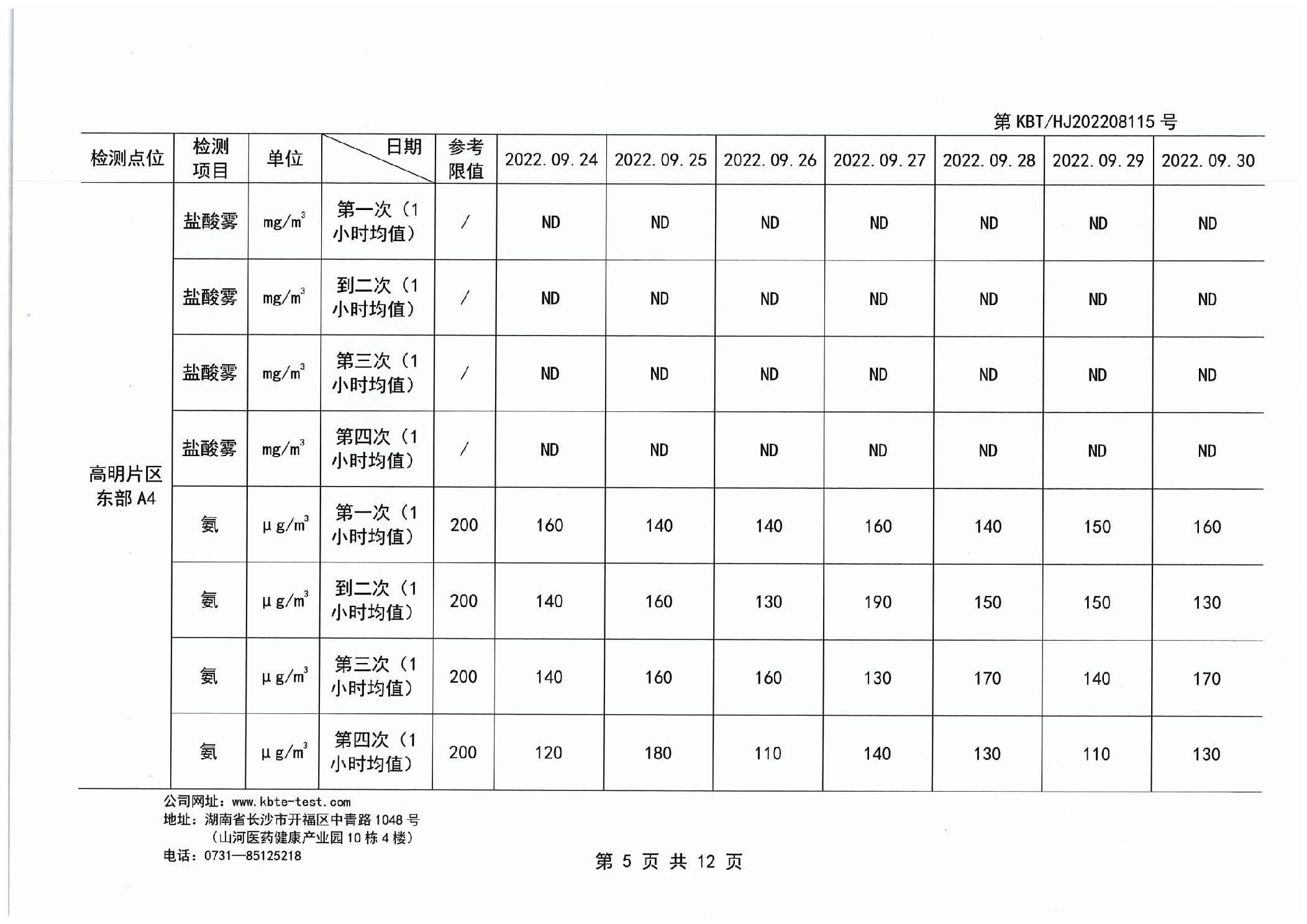
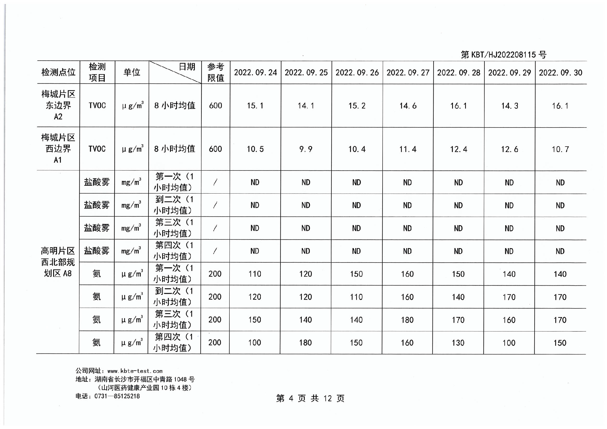
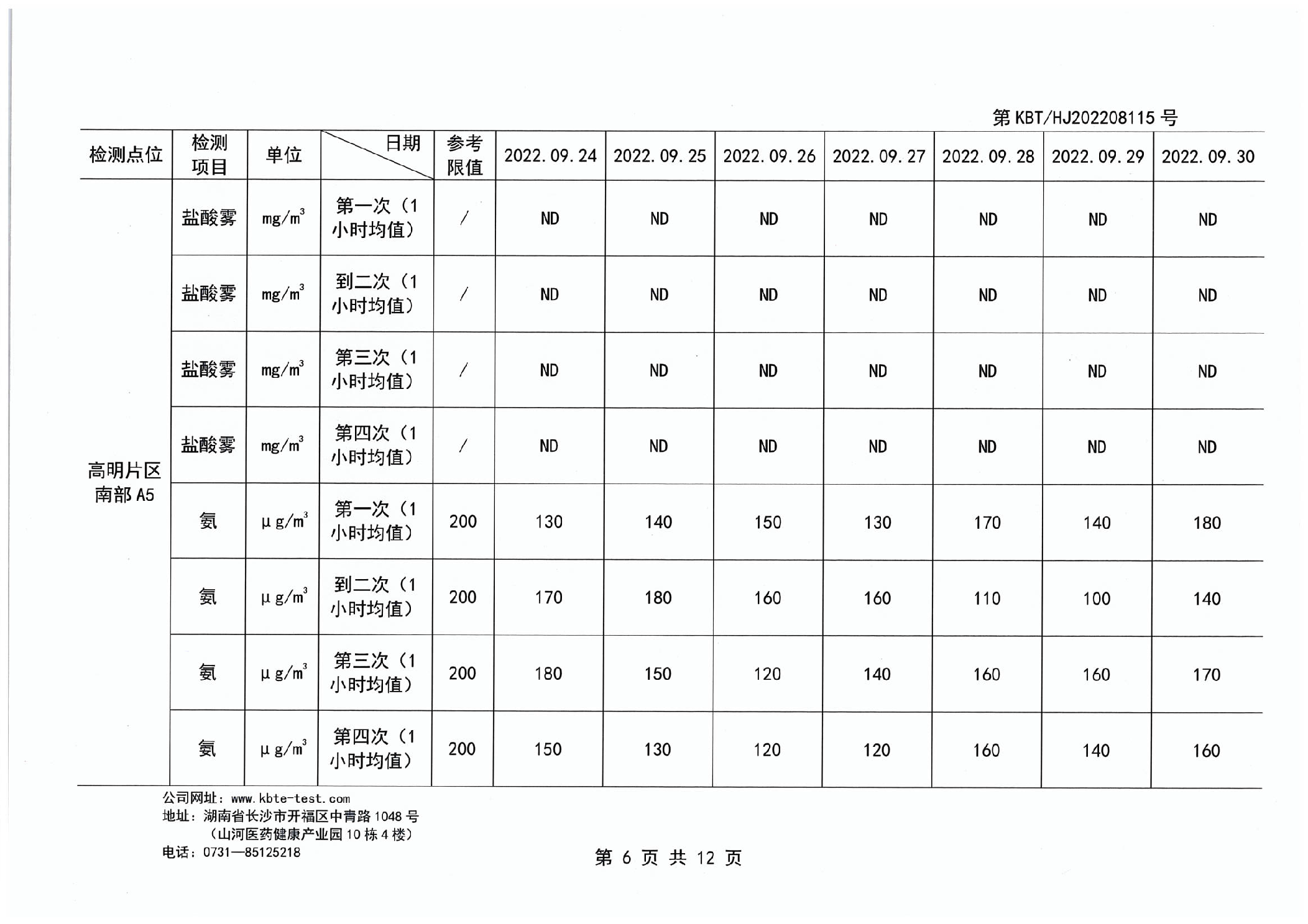
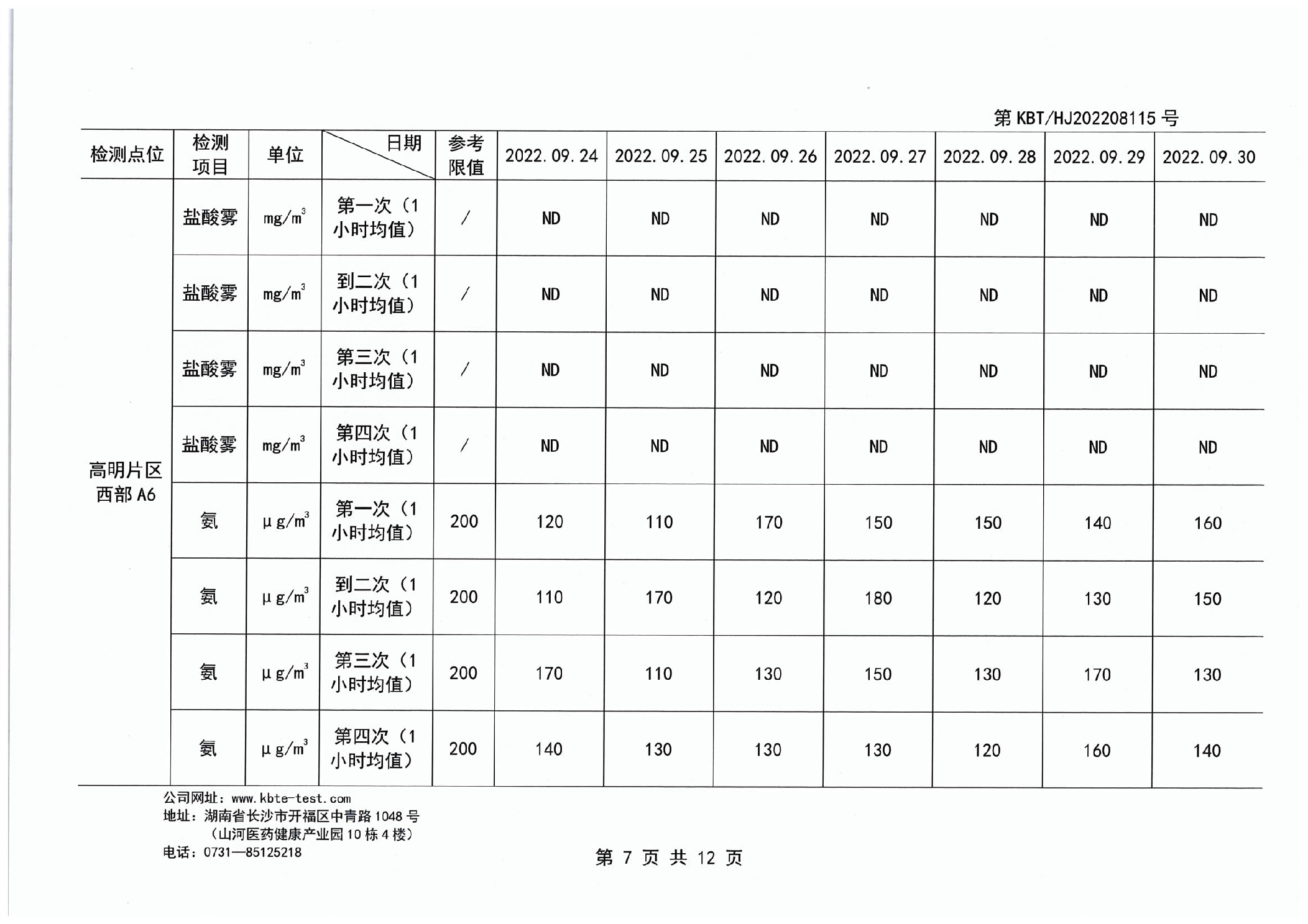
安化经开区2022年园区环境质量检测报告(第三季度)
作者:     发布时间:2022-10-12     信息来源: 湖南安化经济开发区管理委员会     浏览数:
































打印[打印] 收藏[收藏] 纠错[纠错] 关闭[关闭]